Kiểm tra an toàn điện là gì?
Mỗi sản phẩm đều phải trải qua các bài kiểm tra an toàn điện để đảm bảo tính an toàn và độ bên trước khi đưa ra thị trường và sử dụng rộng rãi. Có 3 bài kiểm tra chính, bao gồm thử nghiệm điện trở cách ly và điện áp chịu đựng, bảo vệ nối đất và dòng rò. Số lượng và thông số kỹ thuật của các bài thực nghiệm này khác nhau tùy thuộc vào quốc gia sử dụng.
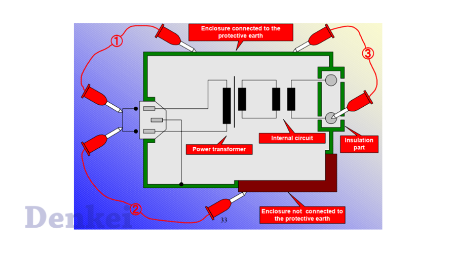
3 Thử nghiệm an toàn điện cần biết
Kiểm tra dòng rò
Bất kỳ thiết bị điện nào cũng sẽ tạo ra mức dòng rò nhỏ do điện áp và điện dung bên trong sản phẩm. Trong trường hợp bình thường, dòng điện rò rỉ này không đủ lớn để cơ thể con người cảm nhận được. Tuy nhiên, do thiết kế hoặc lỗi sản xuất, lớp cách điện trong sản phẩm có thể bị hỏng, dẫn đến dòng điện rò rỉ quá mức. Hình ảnh bên là mô phỏng mạng lưới đo lường liên quan tới kiểm tra dòng rò.

Điện áp được đo trên tụ điện và dòng rò được tính bằng điện áp chia điện trở 1kOhm. Tần số khoảng 1kHz. Các giá trị của điện trở và tụ điện được quy định trong tiêu chuẩn.
Kiểm tra bảo vệ nối đất
Kiểm tra bảo vệ nối đất chỉ áp dụng cho thiết bị Cấp I. Thiết bị cấp I ngăn ngừa điện giật bằng cách điện và nối đất. Nếu cách điện không tốt, dòng điện sẽ rò ra vỏ.
Kết nối đất được thực hiện thông qua đường dây đất hoặc cực nối đất của dây điện
Các phép đo được thực hiện giữa đầu nối đất và các bộ phận nơi điện áp nguy hiểm có thể xảy ra nếu cách điện cơ bản bị hỏng.

Việc xác định bộ phận có điện áp nguy hiểm có thể xảy ra nếu cách điện cơ bản bị hỏng khác nhau với từng thiết kế của thiết bị, nên khó để xác định chính xác, vì vậy, chúng tôi sử dụng thuật ngữ “bảo vệ phần được nối đất”. Ví dụ, một vỏ bọc kim loại và các vít gắn của nó là những bộ phận như vậy. Từ góc độ này, có nhiều điểm cần kiểm tra. Tuy nhiên, nhà sản xuất thiết bị thường xác định những điểm nào có khả năng phát triển các kết nối đất bị lỗi trong quá trình kiểm tra định kỳ, và thường là chỉ những điểm này cần được kiểm tra.

Tiêu chuẩn kiểm tra
| Test parameter | Value |
| Current | 1,5 – 2,5 X tester current rating |
| Voltage Drop | 4V-12V |
Kiểm tra điện trở cách ly và điện áp chịu đựng
Đây là thử nghiệm kiểm tra khả năng cách điện của thiết bị. Cách thức thực hiện là đặt điện áp cao để kiểm tra dòng điện chạy hay không, nghĩa là điện trở cách điện được giữ hay không. Phương pháp này rất nguy hiểm vì tạo ra điện áp cao.


Giá trị điện áp áp dụng cho thiết bị là khác nhau bởi cách điện khác nhau, tuy nhiên, giá trị lý tưởng là cao hơn 10 lần so với điện áp danh định hoặc theo công thức sau:
| Hipot Tester Voltage = (Nominal Input Voltage)*2 + 1000V |
Tiêu chuẩn kiểm tra điện trở cách ly:

Giải pháp kiểm tra an toàn điện hiệu quả
Mỗi thử nghiệm sẽ có yêu cầu kỹ thuật và công nghệ đo lường khác nhau, từ đó cần các thiết bị kiểm tra khác nhau. Tuy nhiên, giờ đây chỉ cần một thiết bị duy nhất để thực hiện tất cả các bài kiểm tra trên. Máy phân tích an toàn điện KIKUSUI TOS9303LC có thể thực hiện tất cả các thử nghiệm an toàn điện (bao gồm kiểm trao điện áp cao & điện áp chịu đựng, kiểm tra dòng rò và kiểm tra bảo vệ nối đất) chỉ trong một thiết bị.

KIKUSUI là nhà sản xuất máy cấp nguồn và các thiết bị đo lường – kiểm tra điện từ Nhật Bản. Các sản phẩm của KIKUSUI được biết đến với công nghệ hàng đầu, chất lượng cao và đa dạng. Nihon Denkei Việt Nam là đại diện phân phối chính thức của KIKUSUI tại Việt Nam. Chúng tôi cung cấp tất cả các giải pháp KIKUSUI cùng dịch vụ kỹ thuật hỗ trợ (tư vấn hệ thống, lắp đặt, bảo trì, …) với mức giá ưu đãi.
Sản phẩm tương tự
KIKUSUI TOS9303LC Thiết bị phân tích an toàn điện (Electrical safety multi-analyzer)
Bài viết liên quan
Cách lựa chọn Thiết Bị Phân Tích chất lượng điện & Ghi Công Suất HIOKI
Đo lường chất lượng điện năng để làm gì? Các hiện tượng tự nhiên như...
Webinar: “Nắm vững các giải pháp nâng cao an toàn & hiệu suất động cơ” của HIOKI
Nihon Denkei Việt Nam – đại lý chính thức của HIOKI tại Việt Nam trân...
OXTS chính thức cung cấp dịch vụ Hiệu chuẩn tốc độ ISO 17025
OXTS chính thức cung cấp dịch vụ hiệu chuẩn tốc độ theo tiêu chuẩn ISO...